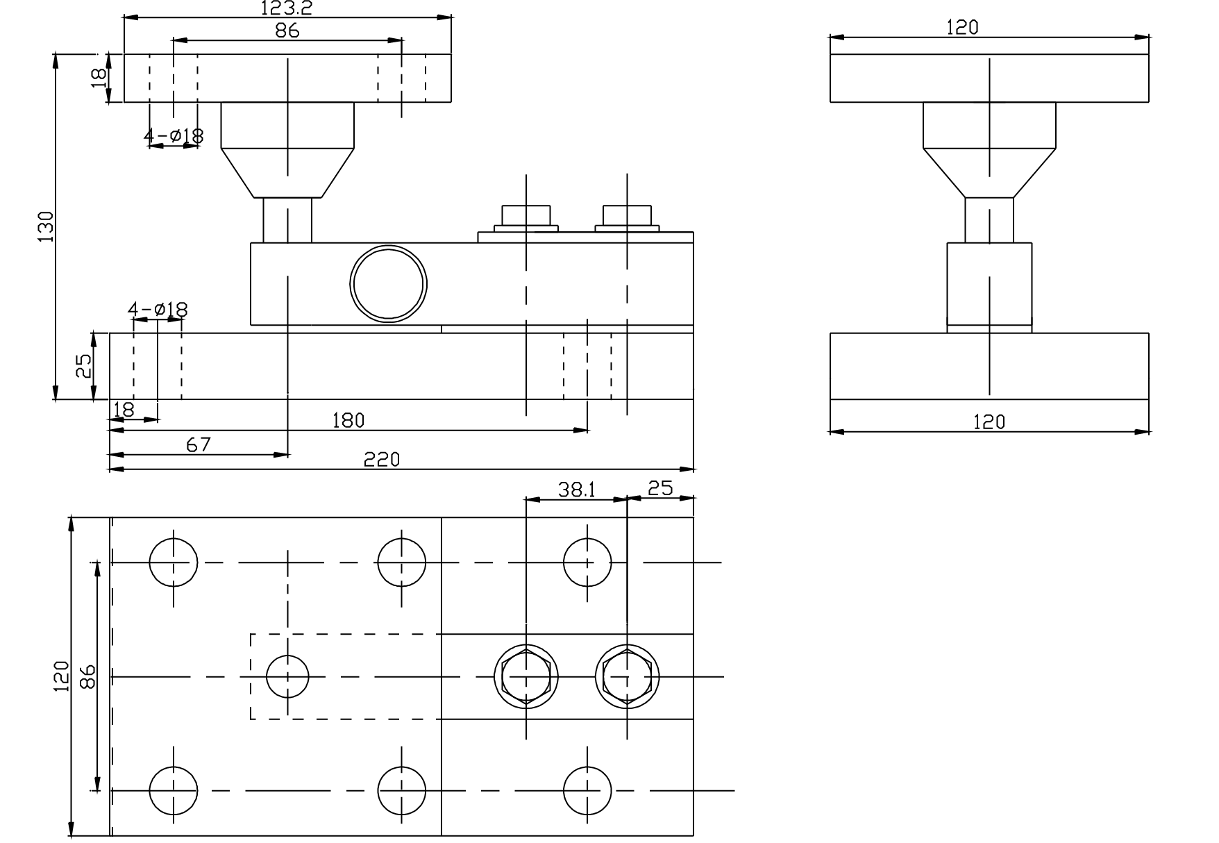
Terra-3XD-1T
Weighing Module;
Maximum capacity (Emax):(t)
0.1\0.25\0.5\1\2\3\5t
Suitable for weighing and batching control of tanks, reactors, hoppers and other similar equipment.
Product Features
High-Precision Shear Beam Load Cells: Employing advanced shear beam load cells, this product offers superior accuracy and stability through optimized stress distribution. With high resolution and minimal long - term drift, it meets the stringent requirements of industries like chemicals, food, and pharmaceuticals for precise material metering.
Universal and Effortless Installation: Its unique modular structure allows for seamless installation on a wide range of tanks and containers, from cylindrical tanks to rectangular vessels. The quick - mount design significantly reduces installation time, making it suitable for both new system integrations and retrofitting existing equipment.
Self - Resetting Steel Ball Head Loading: The steel ball head loading mechanism ensures automatic alignment and rapid self - resetting. By minimizing lateral force interference, it guarantees excellent measurement repeatability with an error margin of ≤ ±[X]%, delivering consistent weighing results across multiple operations.
Robust Anti - Overturn Structure: A specially engineered anti - overturn structure safeguards equipment integrity while maintaining high - precision weighing. This feature provides enhanced safety, reducing the risk of accidents during operation.
Premium Material Options: Constructed from high - quality alloy steel with a nickel - plated surface, it offers good corrosion resistance. For more demanding environments, a stainless - steel option is available, ensuring durability and long - term reliability.
Simple Installation and Maintenance: The no - adjustment structure enables a “plug - and - play” experience—simply remove the middle spacer before use. Maintenance is straightforward, with easy repair and replacement procedures. This user - friendly design minimizes downtime, improving overall operational efficiency.
