Wave-3WD-100KG
Weighing Module
Maximum capacity (Emax): (kgs)
20\50\100kgs
Suitable for logistics check weighing &parking garages.
Product Description:
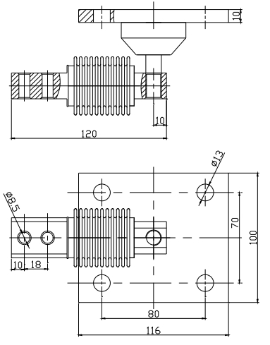
Cantilever Beam Weighing Module: Revolutionary Plug-and-Play Solution
Our newly developed cantilever beam weighing module, featuring an innovative modular design, offers "plug-and-play" functionality. It effectively reduces weighing errors caused by off-center loading, thermal impacts, and accidental overloads.
Ideal for Dynamic Environments
This module shines in dynamic equipment applications, especially in the logistics check weighing field. In high-speed sorting lines and conveyor belt systems, it provides flexible and accurate weight measurements. Its easy installation significantly eases the workload for on-site technicians, enabling quick system integration with minimal downtime.
Versatile Across Multiple Industries
Beyond logistics, its adaptability makes it suitable for various weighing scenarios. In the mixing industry, it ensures precise ingredient weighing for consistent product quality. For parking garages, it monitors vehicle weights to prevent structural overloading. Whether in manufacturing, warehousing, or processing, this module meets diverse weighing needs.
Innovative Support and Load-Bearing Design
The patented support structure allows for real-time height adjustment, simplifying on-site calibration and reducing the burden on project managers. The new load-bearing plate design maintains measurement accuracy even when the mechanical structure deforms, preventing equipment overturning. It also facilitates sensor replacement and maintenance, minimizing operational disruptions.
High Precision for Small Loads
Designed to achieve superior accuracy for small-weight items, the module covers a wide weight range. It meets strict regulatory requirements and provides reliable weight data, helping enterprises cut costs. Its high-resolution performance makes it a perfect fit for precision-demanding industries like pharmaceuticals and food processing. Overall, it's a reliable, compliant, and cost-effective weighing solution.
