LynH-5ALH series (LynH-5ALH-2T-200MM)
Capacity: 2.5~15T
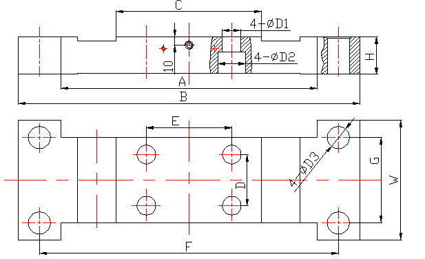
Size can be customized.
Product Description
The planar bearing load cell is a specialized weighing device, innovatively designed to provide overload alarm for travelling cranes. It leverages advanced technology to ensure high - performance and reliability, playing a crucial role in crane safety.
This load cell is tailored for crane operations. Once the lifted weight exceeds the pre - set capacity, its overload alarm system will be triggered immediately, alerting operators and preventing accidents and equipment damage.
Installation is simple. Just fix it to the bearing seat of the reel, and it can integrate into the crane system. After installation, it can monitor the load in real - time, sending accurate data to the control system for safe operation.
Available in various models with different rated capacities, it offers users flexible choices. Note that catalogue appearance and dimensions are examples. Users can customize the load cell by appending bearing seat dimensions and technical parameters, ensuring it perfectly fits their crane equipment.
In short, the planar bearing load cell, with its overload alarm, easy installation, and customized features, is an essential safety solution for travelling cranes in various industries.


